Grosir Scrubber Basah Pelat Siklon

  • Scrubber Basah Pelat Siklon

Scrubber Basah Pelat Siklon

Menara scrubber siklon biasanya memiliki badan menara silinder yang dilengkapi dengan pelat penyekat spiral. Selama pengoperasian, gas buang masuk dari dasar menara secara tangensial dan mengalir ke atas. Dipandu oleh bilah pelat penyekat, gas berputar ke atas, mengatomisasi cairan yang mengalir ke bawah pelat menjadi tetesan halus. Hal ini menciptakan area kontak gas-cair yang besar. Tetesan tersebut terbawa oleh aliran gas dan berputar, menghasilkan gaya sentrifugal yang meningkatkan interaksi gas-cair. Akhirnya, tetesan tersebut terlempar ke dinding menara, mengalir ke bawah sepanjang dinding menuju pelat penyekat berikutnya, dan diatomisasi ulang oleh aliran gas untuk kontak lebih lanjut. Seperti dijelaskan, cairan mencapai kontak menyeluruh dengan gas sambil mempertahankan pemisahan yang efektif—meminimalkan masuknya kabut. Kapasitas beban gas-cair sistem ini lebih dari dua kali lipat kapasitas pelat penyekat konvensional.

Kondisi kontak gas-cair menara yang sangat baik memastikan penyerapan gas limbah yang efisien oleh cairan alkali. Selain itu, menara scrubber siklon menunjukkan kinerja penghilangan debu yang unggul. Partikel debu dalam gas ditangkap oleh kabut air pada pelat penyekat spiral, dan partikel serta tetesan yang terlempar ke dinding menara oleh gaya sentrifugal juga dihilangkan secara efektif. Hasilnya, gas yang keluar dari menara hanya membawa sedikit debu dan tetesan. Kecepatan angin menara kosong berkisar antara 2,2–2,7 m/s.

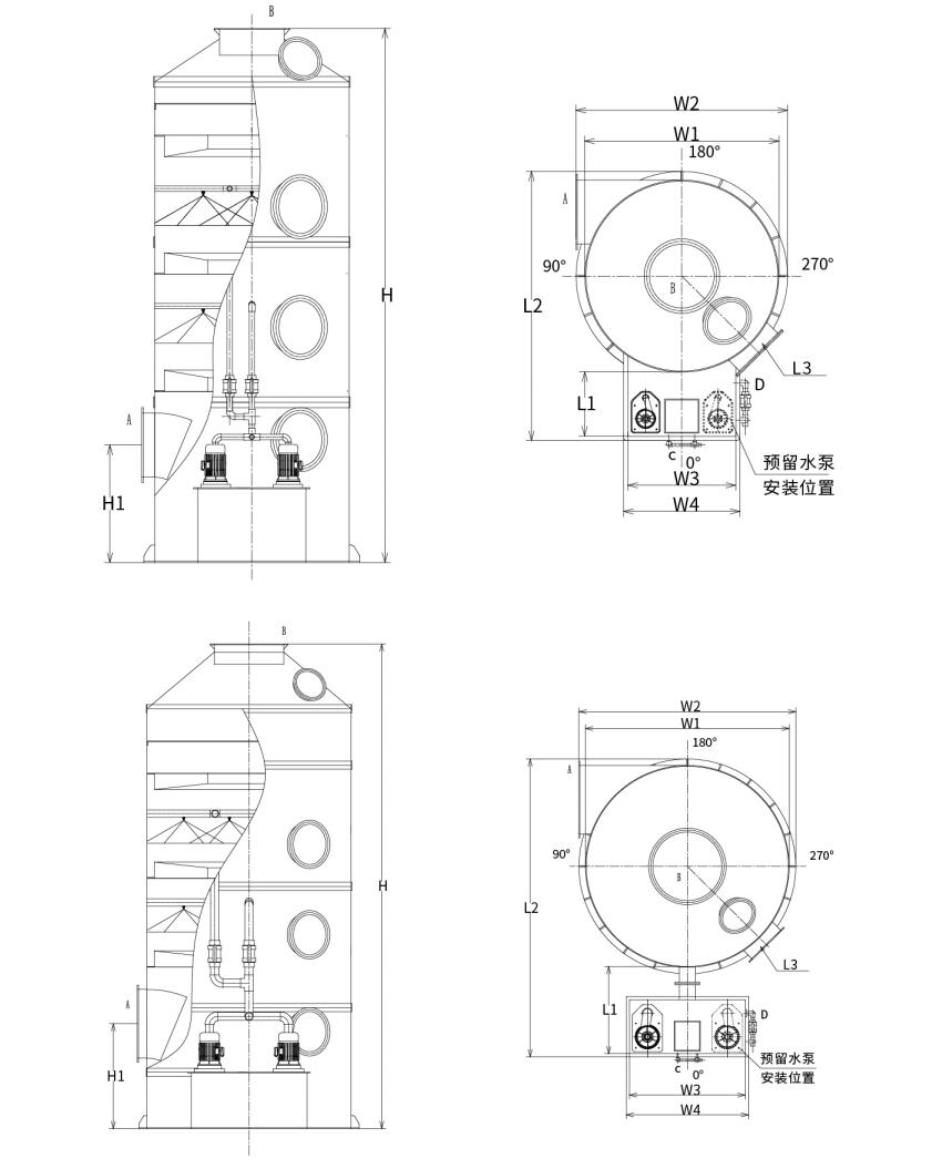
Struktur menara semprotan pusaran:
Seperti yang ditunjukkan pada gambar: Sistem scrubbing semprot yang dikemas lengkap mencakup komponen-komponen berikut:

● Badan menara terbuat dari lembaran PP (polypropylene);

● Rangka dibuat dengan penyekat spiral PP;

● Semprotkan pipa penghubung yang terbuat dari UPVC (polivinil klorida tidak plastis);

● Nozel spiral PP;

● Pompa sirkulasi PP tahan korosi;

● Lapisan demister (tipe jaring/siklon/penyekat);

● Perangkat pengisian air manual dan otomatis;

● Pipa pelimpah dan drainase;

● Jendela inspeksi.

Parameter pemilihan menara pelat siklon:
Untuk menjamin kenyamanan dan keselamatan transportasi, menara scrubber siklon PP dibagi menjadi dua kategori spesifikasi:

Tipe 1: Scrubber siklon tangki air terintegrasi (Diameter menara: Φ1000mm-Φ2200mm)

Tipe 2: Scrubber siklon tangki air tipe terpisah (Diameter menara: Φ2500mm-Φ3500mm)


Model menara scrubber siklon yang sesuai dengan kapasitas aliran udara:

Model Kisaran volume udara Ukuran perangkat Kekuatan pompa air Jumlah bilah pusaran Kisaran kecepatan angin Bahan peralatan
XL-600 0-2800m³/jam Φ600×2950 0,75kw 2 0-2,76 m/s PP/304/Q235/FRP
XL-800 3800-5000m³/jam Φ800×3300 0,75kw 2 2,11-2,77m/dtk PP/304/Q235/FRP
XL-1000 6000-7500m³/jam Φ1000×4380 1,5kw 2 2,13-2,66 m/dtk PP/304/Q235/FRP
XL-1200 8500-11000m³/jam Φ1200×4430 2.2kw 2 2,09-2,71m/dtk PP/304/Q235/FRP
XL-1500 14000-17000m³/jam Φ1500×5000 3,75kw 2 2,2-2,68 m/s PP/304/Q235/FRP
XL-1800 20000-25000m³/jam Φ1800×5650 5.5kw 2 2,19-2,73m/dtk PP/304/Q235/FRP
XL-2000 25001-30000m³/jam Φ2000×6200 5.5kw 2 2,21-2,66 m/s PP/304/Q235/FRP
XL-2200 30001-37000m³/jam Φ2200×6700 7.5kw 2 2,19-2,71m/dtk PP/304/Q235/FRP
XL-2500 40000-47000m³/jam Φ2500×6850 7.5kw 2 2,27-2,66 m/dtk PP/304/Q235/FRP
XL-2800 49000-58000m³/jam Φ2800×7900 11kw 2 2,21-2,62m/dtk PP/304/Q235/FRP
XL-3000 58000-68000m³/jam Φ3000×8000 11kw 2 2,28-2,67m/s PP/304/Q235/FRP
XL-3200 68000-78000m³/jam Φ3200×8000 15kw 2 2,35-2,7m/dtk PP/304/Q235/FRP
XL-3500 78000-88000m³/jam Φ3500×8000 15kw 2 2,25-2,54 m/s PP/304/Q235/FRP

Catatan: Desain non-standar dapat dibuat sesuai dengan kebutuhan pelanggan.

Diagram pemilihan:

Hangzhou Lvran Perlindungan Lingkungan Group Co, Ltd.

  • 1000+

    Pelanggan unit layanan

  • 2000+

    Kasus Rekayasa Nasional

Hangzhou Lvran Environmental Protection Group Co., Ltd. adalah penyedia layanan rekayasa sistem pengolahan gas limbah yang komprehensif dan produsen peralatan, yang mengintegrasikan R&D, layanan teknis, desain, produksi, instalasi teknik, dan layanan purna jual.

We are China Scrubber Basah Pelat Siklon Suppliers and Wholesale Scrubber Basah Pelat Siklon Exporter, Company. Grup ini adalah perusahaan teknologi tinggi nasional, perusahaan sains dan teknologi Provinsi Zhejiang, pusat penelitian dan pengembangan regional, dan unit kredit berperingkat AAA. Ia memegang lebih dari 30 paten model utilitas, banyak paten penemuan, dan hak cipta perangkat lunak. Grup ini telah lama menjalin kerja sama penelitian dan pengembangan teknis dengan universitas dan institusi dalam negeri, termasuk "Pusat Penelitian dan Pengembangan Inovasi Lingkungan" yang dibangun bersama dengan Universitas Sains dan Teknologi Anhui dan "Pusat Penelitian dan Pengembangan Teknologi Baru Energi dan Lingkungan Plasma" yang dikembangkan bersama dengan Universitas Sci-Tech Zhejiang. Grup ini telah mendirikan basis penelitian dan pengembangan serta produksinya sendiri untuk kolaborasi teknis yang mendalam. Grup ini memiliki teknologi inti pengolahan gas VOC, memiliki kualifikasi kontrak umum Level 2 untuk konstruksi pekerjaan umum kota, izin produksi keselamatan, kualifikasi desain khusus Kelas B untuk pengendalian pencemaran lingkungan di Provinsi Zhejiang, kualifikasi layanan tenaga kerja yang tidak diklasifikasikan, dan kontrak khusus untuk proyek-proyek khusus. Grup ini bersertifikat ISO9001 untuk kualitas internasional, ISO14001 untuk pengelolaan lingkungan, dan ISO45001 untuk kesehatan dan keselamatan kerja.

KEHORMATAN & SERTIFIKAT

Penghargaan berikut mewakili kecemerlangan kami. Kami memenangkan pelanggan dengan produk berkualitas tinggi dan memenangkan pujian tinggi dari pasar dan semua lapisan masyarakat dengan pelayanan yang baik.

  • Unit dasar dan reaktor medan listrik tinggi tipe pelat untuk mencegah kebocoran di sepanjang permukaan
  • Perangkat reaksi untuk mensintesis metanol menggunakan karbon dioksida dan air dan metode untuk mensintesis metanol menggunakan karbon dioksida dan air
  • Precipitator elektrostatis yang dapat membersihkan sendiri
  • Kipas bertekanan tinggi tahan korosi dengan fungsi penyesuaian arah angin
  • Kipas berkapasitas tinggi yang dapat membersihkan sendiri dan dapat disesuaikan
  • Gabungan sistem kontrol pra-perawatan gas buang gasifikasi katalitik
  • Pembersihan uap sistem pemurnian dan pengolahan gas buang medan elektrostatik terus menerus
  • Sistem peralatan pemurnian gas buang fotolisis UV plasma suhu rendah
  • Sertifikat pendaftaran merek dagang
Berita dan Acara Baru-baru ini
Bagikan dengan Anda
Lihat Berita Lainnya