Grosir Penggosok Kimia

  • Penggosok Kimia

Penggosok Kimia

Scrubber kimia adalah filter scrubbing tingkat lanjut. Ia menggunakan struktur khusus dan luas permukaan spesifik yang besar dari pengepakan biasa sebagai pengepakan perpindahan massa dan dehidrasi. Pada saat yang sama, sesuai dengan komponen penyebab bau yang berbeda, asam, alkali, dan oksidan yang sesuai digunakan sebagai cairan pencuci serapan untuk menghilangkan bau di ruangan dan menghilangkan dampak terhadap lingkungan sekitar.

Aliran udara berbau diangkut melalui saluran udara dan masuk ke menara dari saluran masuk menara. Setelah memasuki menara, ia melewati lapisan pengepakan dari bawah ke atas, dan akhirnya dibuang dari saluran pipa atas menara melalui kipas anti korosi. Larutan penetral melewati pemisah cairan di bagian atas menara, disemprotkan secara merata ke dalam lapisan pengepakan, mengalir ke bawah sepanjang permukaan lapisan pengepakan hingga dibuang dari dasar menara melalui pipa, dan diedarkan oleh anti- pompa sirkulasi korosi. Ketika konsentrasi zat terlarut dalam aliran udara naik menjadi semakin rendah, fungsi pemurnian tercapai ketika mencapai puncak menara, dan dibuang atau terus dimurnikan melalui langkah berikutnya. Sebaliknya, konsentrasi medium dalam cairan yang turun menjadi semakin tinggi, dan mencapai kondisi proses ketika mencapai dasar menara dan dikeluarkan dari menara.

Keuntungan menara pengepakan semprot: Memiliki efisiensi tinggi, kapasitas menampung cairan kecil, ringan, dan pengoperasian mudah, yang memungkinkan pekerja untuk segera memulai. Pengisi dapat dipilih sesuai dengan kondisi kerja yang disediakan oleh pelanggan. Ada banyak jenis, dan cincin bola tahan korosi umumnya digunakan. Namun perlu diperhatikan bahwa bahan tersuspensi padat dapat menyumbat pengisi karena diameter partikelnya yang besar, sehingga umumnya tidak cocok untuk pengolahan bahan padat. Misalnya, NH₃, HCl, H₂S, nitrogen oksida, dan gas limbah organik yang dihasilkan oleh pabrik dapat diolah secara efektif dengan peralatan ini.

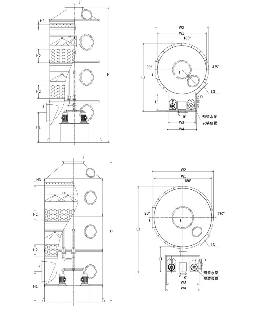
Struktur scrubber kimia:
Seperti yang ditunjukkan pada gambar: Sistem scrubbing semprot yang dikemas lengkap mencakup komponen-komponen berikut:

1. Badan menara terbuat dari lembaran PP (polypropylene);

2. Rangka penyangga pengepakan terbuat dari panel kisi PP;

3. Semprotkan pipa penghubung berbahan UPVC;

4. Nozel spiral PP;

5. Pengepakan bola berongga atau cincin Pall;

6. Pompa sirkulasi PP tahan korosi;

7. Lapisan demister jaring;

8. Perangkat pengisian air manual dan otomatis;

9. Pipa pelimpah dan drainase;

10. Jendela inspeksi.

Pemilihan scrubber kimia:
Tabel Parameter Teknis Scrubber Semprot yang Dikemas

Untuk menjamin kenyamanan dan keamanan transportasi, scrubber semprot kemasan PP dibagi menjadi dua jenis:

Tipe 1: Scrubber semprotan tangki air terintegrasi (Diameter menara: Φ1000mm-Φ2200mm)

Tipe 2: Scrubber semprotan tangki air tipe terpisah (Diameter menara: Φ2500mm-Φ3500mm)


Spesifikasi Model Sesuai dengan Kapasitas Aliran Udara:

Model Volume udara Ukuran perangkat Kekuatan pompa air Ketebalan pengisian Kecepatan angin Bahan peralatan
LRTL-600 0-1500m³/jam Φ600x3000 0,75kw 500*2 1,48 m/s PP/304/Q235/FRP
LRTL-800 1501-2500m³/jam Φ800x3000 0,75kw 500*2 1,39 m/s PP/304/Q235/FRP
LRTL-1000 2501-4000m³/jam Φ1000x5000 1,5kw 500*2 1,42 m/s PP/304/Q235/FRP
LRTL-1200 4001-6000m³/jam Φ1200x5000 2.2kw 500*2 1,48 m/s PP/304/Q235/FRP
LRTL-1500 6001-9500m³/jam Φ1500x5000 3,75kw 500*2 1,5 m/s PP/304/Q235/FRP
LRTL-1800 9501-14000m³/jam Φ1800x5000 5.5kw 500*2 1,53 m/s PP/304/Q235/FRP
LRTL-2000 14001-17000m³/jam Φ2000x6000 5.5kw 500*2 1,5 m/s PP/304/Q235/FRP
LRTL-2200 17001-20000m³/jam Φ2200x6000 7.5kw 500*2 1,46 m/s PP/304/Q235/FRP
LRTL-2500 20001-27000m³/jam Φ2500x6000 7.5kw 500*2 1,53 m/s PP/304/Q235/FRP
LRTL-2800 27001-33000m³/jam Φ2800x6000 15kw 500*2 1,49 m/s PP/304/Q235/FRP
LRTL-3000 33001-38000m³/jam Φ3000x6800 15kw 500*2 1,49 m/s PP/304/Q235/FRP
LRTL-3200 38001-44000m³/jam Φ3200x6800 15kw 500*2 1,52 m/s PP/304/Q235/FRP
LRTL-3500 44001-55000m³/jam Φ3500x6800 15kw 500*2 1,5 m/s PP/304/Q235/FRP

Catatan: Desain non-standar dapat disesuaikan sesuai dengan kebutuhan pelanggan.

Diagram pemilihan:

Hangzhou Lvran Perlindungan Lingkungan Group Co, Ltd.

  • 1000+

    Pelanggan unit layanan

  • 2000+

    Kasus Rekayasa Nasional

Hangzhou Lvran Environmental Protection Group Co., Ltd. adalah penyedia layanan rekayasa sistem pengolahan gas limbah yang komprehensif dan produsen peralatan, yang mengintegrasikan R&D, layanan teknis, desain, produksi, instalasi teknik, dan layanan purna jual.

We are China Penggosok Kimia Suppliers and Wholesale Penggosok Kimia Exporter, Company. Grup ini adalah perusahaan teknologi tinggi nasional, perusahaan sains dan teknologi Provinsi Zhejiang, pusat penelitian dan pengembangan regional, dan unit kredit berperingkat AAA. Ia memegang lebih dari 30 paten model utilitas, banyak paten penemuan, dan hak cipta perangkat lunak. Grup ini telah lama menjalin kerja sama penelitian dan pengembangan teknis dengan universitas dan institusi dalam negeri, termasuk "Pusat Penelitian dan Pengembangan Inovasi Lingkungan" yang dibangun bersama dengan Universitas Sains dan Teknologi Anhui dan "Pusat Penelitian dan Pengembangan Teknologi Baru Energi dan Lingkungan Plasma" yang dikembangkan bersama dengan Universitas Sci-Tech Zhejiang. Grup ini telah mendirikan basis penelitian dan pengembangan serta produksinya sendiri untuk kolaborasi teknis yang mendalam. Grup ini memiliki teknologi inti pengolahan gas VOC, memiliki kualifikasi kontrak umum Level 2 untuk konstruksi pekerjaan umum kota, izin produksi keselamatan, kualifikasi desain khusus Kelas B untuk pengendalian pencemaran lingkungan di Provinsi Zhejiang, kualifikasi layanan tenaga kerja yang tidak diklasifikasikan, dan kontrak khusus untuk proyek-proyek khusus. Grup ini bersertifikat ISO9001 untuk kualitas internasional, ISO14001 untuk pengelolaan lingkungan, dan ISO45001 untuk kesehatan dan keselamatan kerja.

KEHORMATAN & SERTIFIKAT

Penghargaan berikut mewakili kecemerlangan kami. Kami memenangkan pelanggan dengan produk berkualitas tinggi dan memenangkan pujian tinggi dari pasar dan semua lapisan masyarakat dengan pelayanan yang baik.

  • Unit dasar dan reaktor medan listrik tinggi tipe pelat untuk mencegah kebocoran di sepanjang permukaan
  • Perangkat reaksi untuk mensintesis metanol menggunakan karbon dioksida dan air dan metode untuk mensintesis metanol menggunakan karbon dioksida dan air
  • Precipitator elektrostatis yang dapat membersihkan sendiri
  • Kipas bertekanan tinggi tahan korosi dengan fungsi penyesuaian arah angin
  • Kipas berkapasitas tinggi yang dapat membersihkan sendiri dan dapat disesuaikan
  • Gabungan sistem kontrol pra-perawatan gas buang gasifikasi katalitik
  • Pembersihan uap sistem pemurnian dan pengolahan gas buang medan elektrostatik terus menerus
  • Sistem peralatan pemurnian gas buang fotolisis UV plasma suhu rendah
  • Sertifikat pendaftaran merek dagang
Berita dan Acara Baru-baru ini
Bagikan dengan Anda
Lihat Berita Lainnya